Digitalradio-in-Deutschland

Dein Board für DAB+ - Das Radio der Zukunft
Startseite D-I-D besuchen
Aktuelle Zeit: Do 6. Nov 2025, 05:15

Alle Zeiten sind UTC + 1 Stunde [ Sommerzeit ]




Ein neues Thema erstellen Auf das Thema antworten  [ 662 Beiträge ]  Gehe zu Seite Vorherige  1 ... 53, 54, 55, 56, 57, 58, 59 ... 67  Nächste
Autor Nachricht
 Betreff des Beitrags: Re: DK: Umstellung auf DAB+
BeitragVerfasst: Mo 15. Jul 2024, 13:16 
Offline
DAB-Freak

Registriert: Do 5. Nov 2020, 19:30
Beiträge: 10197
Wohnort: Privat
ich merke es daran dass ich viele Programme zwei oder dreimal in der Liste dann habe, mit und ohne Punkt in der Kennung.

bin sowieso gespannt wie man sich die Zukunft des 12C vorstellt. das war ursprünglich ja der DR Mux, dann kam Nova dazu und man sendete als gemischter Multiplex.Nova ist das einzige BM-Programm welches nicht regionaisiert wird bei der Spot-Werbung.

dahin könnte die Reise wieder dorthin zurück gehen, also Nova in den 8B/11C/13B und den 12C landesweit abschalten.
Bauer finanziert den Mux im Grunde im Alleingang. drei JFM Programme sind derzeit noch drin. lange Kündigungsfristen so wie bei uns scheint es da nicht zu geben
wenn Bauer nun die Mux 3 Bedeckung vieleorts für sich alein hat und JFM in den Mux 4 geht, mal sehen...


Nach oben
 Profil  
Mit Zitat antworten  
 Betreff des Beitrags: Re: DK: Umstellung auf DAB+
BeitragVerfasst: Do 18. Jul 2024, 12:08 
Offline
DAB-Freak

Registriert: Di 1. Sep 2015, 17:50
Beiträge: 7468
Henrik P. Moeller hat geschrieben:
VLR ist aber im 12A Fyn defintiiv noch enthalten! Radio VLR ("Vejle LokalradiO") ist eigentlich ein Lokalsender für Vejle/Fredericia. wozu der landesweit senden musste erschließt sich mir nicht. zumal nach der neuerlichen Formatänderung (erst zurück zu AC, und jetzt Soft AC !)

Ja, im 12A Fyn ist VLR noch drinnen.


Dateianhänge:
12Afyn.jpg
12Afyn.jpg [ 206.13 KiB | 2335-mal betrachtet ]
Nach oben
 Profil  
Mit Zitat antworten  
 Betreff des Beitrags: Re: DK: Umstellung auf DAB+
BeitragVerfasst: Do 18. Jul 2024, 14:00 
Offline
DAB-Freak

Registriert: Do 5. Nov 2020, 19:30
Beiträge: 10197
Wohnort: Privat
das ist auch deren UKW-Sendegebiet. bei skala.fm genauso (ex. Radio 3 / S.FM Übernahme) evtl. ein Zeichen dass sich der dort geplante Blok 4 - Mux verzögert. ich hatte schon jeden Tag nach den neuen Muxen ausschauh gehalten aber bisher noch nichts entdeckt.

wenn man bedenkt wie lange das gedauert hat bis der 8C Vestsjaelland endlich gestartet ist...übermorgen sind es exakt 2 Jahre wo der gestartet ist.


der am Nähesten liegende von den neuen Blok4 Muxen wäre der 6A und gerade der wird hier schwierig sein wegen dem 5D. bei Bremen 6A muss ich auch immer sehr genau ausrichten. Kollissionen sind zum Glück keine zu erwarten weil Bremen ja H pol sendet. :!:


Nach oben
 Profil  
Mit Zitat antworten  
 Betreff des Beitrags: Re: DK: Umstellung auf DAB+
BeitragVerfasst: Sa 20. Jul 2024, 22:10 
Offline
DAB-Freak

Registriert: Di 1. Sep 2015, 17:50
Beiträge: 7468
Heute gehen wegen sehr starker Ostseetropo mal 2 Lokalmuxe die hier so gut wie nie ankommen.
Die beiden sind aber relativ leer.


Dateianhänge:
8Cdk.jpg
8Cdk.jpg [ 129.84 KiB | 2284-mal betrachtet ]
8Ddk.jpg
8Ddk.jpg [ 139.3 KiB | 2284-mal betrachtet ]
Nach oben
 Profil  
Mit Zitat antworten  
 Betreff des Beitrags: Re: DK: Umstellung auf DAB+
BeitragVerfasst: Sa 20. Jul 2024, 22:14 
Offline
DAB-Freak

Registriert: Di 1. Sep 2015, 17:50
Beiträge: 7468
Oh, und meine West Antenne faengt den hier ein, statt Kopenhagen.


Dateianhänge:
9Bdk.jpg
9Bdk.jpg [ 141.92 KiB | 2283-mal betrachtet ]
Nach oben
 Profil  
Mit Zitat antworten  
 Betreff des Beitrags: Re: DK: Umstellung auf DAB+
BeitragVerfasst: Sa 20. Jul 2024, 23:09 
Offline
DAB-Freak

Registriert: Do 5. Nov 2020, 19:30
Beiträge: 10197
Wohnort: Privat
der kommt aus Soenderborg ueber die Flensburger Foerde


der 3301 ist Gl.Hoejen



haben sich ja ganz schön geleert die Muxe. :roll:


Nach oben
 Profil  
Mit Zitat antworten  
 Betreff des Beitrags: Re: DK: Umstellung auf DAB+
BeitragVerfasst: So 21. Jul 2024, 08:32 
Offline
DAB-Freak

Registriert: Di 1. Sep 2015, 17:50
Beiträge: 7468
Wird Mux4 vom selben Netzbetreiber aufgebaut wie bei Mux3? Falls es ein anderer ist oder die Konditionen deutlich anders werden, koennten einige Programme, wie von dir vermutet, wieder im Mux4 auftauchen. Bei gleichem Netzbetreiber wuerde eine nur vorruebergehene DAB Abstinenz keinen Sinn ergeben.


Nach oben
 Profil  
Mit Zitat antworten  
 Betreff des Beitrags: Re: DK: Umstellung auf DAB+
BeitragVerfasst: So 21. Jul 2024, 09:06 
Offline
DAB-Freak

Registriert: Do 5. Nov 2020, 19:30
Beiträge: 10197
Wohnort: Privat
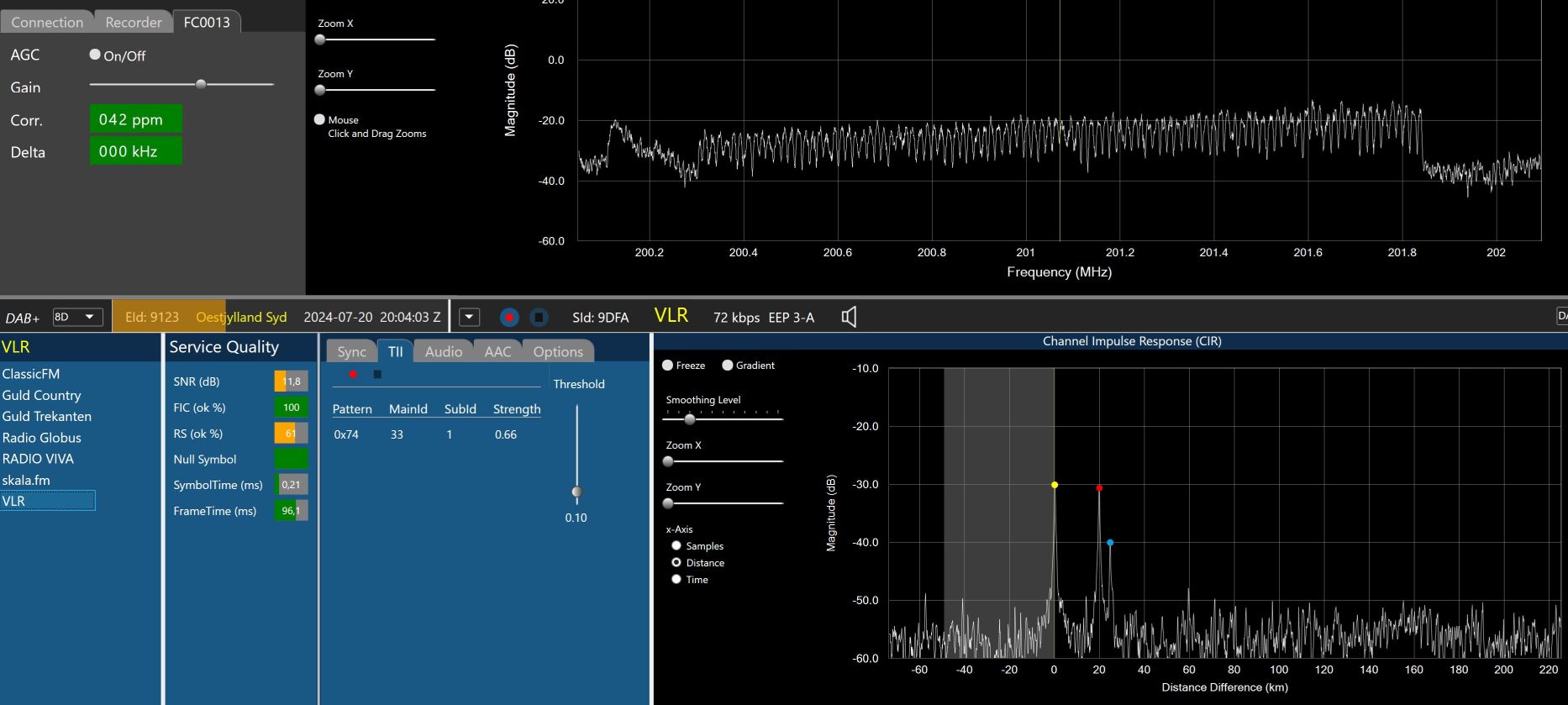
da wo Bauer den Mux3 betreibt , wird JFM den Mux4 betreiben.
die Muxe werden nun offenbar aufgeteilt. im 8D sehe ich sind die BM-Sender verschwunden
der 8D wird ja von JFM betrieben und kam ursprünglich sogar vom Funkhausdach im Bugattivej 8, damals noch auf Kanal 7C mit Main ID 11 und Sub ID 12.
die Zusatzprogramme (Dansktopkanalen und Classic Rock) von JFM sind aber auch dort raus!?

im 8A (Sendegebiet von Radio ABC / Solo / Alfa) sind dafür neu Skala FM und VLR aufgetaucht! dort jetzt 17 Programme im Mux, puhh....
der war vorher voll belegt, da muss es also auch Änderungen an den Bitraten gegeben haben.
was das nun wieder soll. damit expandieren die Lokalsender aus Kolding und Vejle bis in das Gebiet Aarhus / Randers / Silkeborg wo sie gar keine UKW Versorgung haben.
mit Planet Rock befindet sich auch immer noch ein BM-Programm im 8A. Classic Rock (JFM) ist dafür raus.

habe mir folgende Bitraten notiert:
ABC - 88
Alfa - 72
Alfa Arh - 72
Alfa Slk - 72
ALFAGOLD
Classic - 72
Elvis - 48
goFM - 72
Hinnerup - 72
Oest FM - 72
PL ROCK - 72
Roende - 64
Silkbrg - 72
SkalaFM - 72
SOLO - 88
SOLO Sil - 72
VLR - 72


Dateianhänge:
‎Heute, ‎21. ‎Juli ‎2024, ‏‎085211.jpg
‎Heute, ‎21. ‎Juli ‎2024, ‏‎085211.jpg [ 33.91 KiB | 2241-mal betrachtet ]
‎Heute, ‎21. ‎Juli ‎2024, ‏‎Vor 35 Minuten.jpg
‎Heute, ‎21. ‎Juli ‎2024, ‏‎Vor 35 Minuten.jpg [ 34.38 KiB | 2241-mal betrachtet ]
Nach oben
 Profil  
Mit Zitat antworten  
 Betreff des Beitrags: Re: DK: Umstellung auf DAB+
BeitragVerfasst: So 21. Jul 2024, 22:41 
Offline
DAB-Freak

Registriert: Di 1. Sep 2015, 17:50
Beiträge: 7468
Heute noch ein anderer lokaler aus DK. Darin ist noch Dansbandskanalen enthalten.


Dateianhänge:
9Ddk.jpg
9Ddk.jpg [ 161.31 KiB | 2196-mal betrachtet ]
Nach oben
 Profil  
Mit Zitat antworten  
 Betreff des Beitrags: Re: DK: Umstellung auf DAB+
BeitragVerfasst: So 21. Jul 2024, 22:59 
Offline
DAB-Freak

Registriert: So 7. Okt 2018, 11:35
Beiträge: 1671
Diese Ausstrahlung dient dazu, Helsingborg auf schwedischer Seite zu erreichen. Auf Instagram wirbt der Dansbandskanalen jedenfalls damit, dort empfangbar zu sein. Auch der Guldkanalen sendet da, dort sogar auf UKW und eben DAB+ von dänischer Seite aus.
Scheint ein Small Scale Mux zu sein, ähnlich wie bei Divicon in Sachsen. Die Codierungen sind jedenfalls interessant, fast alles läuft mit 32kHz Samplingrate, der Klang erinnert auch sehr an die Divicon Kanäle in Sachsen.
Beim Dansbandskalenen und Guldkanalen kann man das direkt hören, die klingen in Malmö beide voller, trotz weniger Bitrate dort.


Nach oben
 Profil  
Mit Zitat antworten  
Beiträge der letzten Zeit anzeigen:  Sortiere nach  
Ein neues Thema erstellen Auf das Thema antworten  [ 662 Beiträge ]  Gehe zu Seite Vorherige  1 ... 53, 54, 55, 56, 57, 58, 59 ... 67  Nächste

Alle Zeiten sind UTC + 1 Stunde [ Sommerzeit ]


Wer ist online?

Mitglieder in diesem Forum: 0 Mitglieder und 2 Gäste


Du darfst keine neuen Themen in diesem Forum erstellen.
Du darfst keine Antworten zu Themen in diesem Forum erstellen.
Du darfst deine Beiträge in diesem Forum nicht ändern.
Du darfst deine Beiträge in diesem Forum nicht löschen.
Du darfst keine Dateianhänge in diesem Forum erstellen.

Suche nach:
Gehe zu:  
Impressum

Datenschutz (EUDSGVO)

Powered by phpBB® Forum Software © phpBB Group
Deutsche Übersetzung durch phpBB.de