Digitalradio-in-Deutschland

Dein Board für DAB+ - Das Radio der Zukunft
Startseite D-I-D besuchen
Aktuelle Zeit: Mi 22. Apr 2026, 13:20

Alle Zeiten sind UTC + 1 Stunde [ Sommerzeit ]




Ein neues Thema erstellen Auf das Thema antworten  [ 3811 Beiträge ]  Gehe zu Seite Vorherige  1 ... 161, 162, 163, 164, 165, 166, 167 ... 382  Nächste
Autor Nachricht
 Betreff des Beitrags: Re: Tropo-Logs
BeitragVerfasst: Mo 22. Mär 2021, 10:29 
Offline
DAB-Freak

Registriert: Di 1. Sep 2015, 17:50
Beiträge: 7588
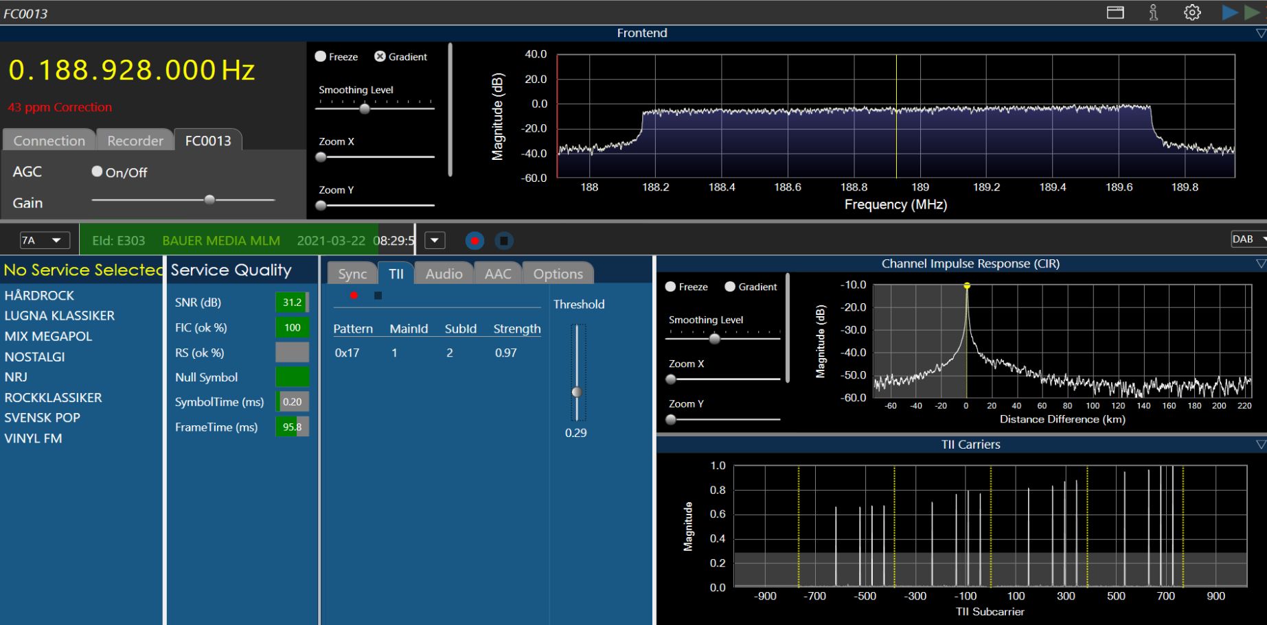
Sehr starke Tropo aus Schweden. Man beachte die 31dB SNR!


Dateianhänge:
7Abauer.jpg
7Abauer.jpg [ 175.87 KiB | 2956-mal betrachtet ]
Nach oben
 Profil  
Mit Zitat antworten  
 Betreff des Beitrags: Re: Tropo-Logs
BeitragVerfasst: So 28. Mär 2021, 19:43 
Offline
Moderator

Registriert: Di 11. Aug 2020, 12:32
Beiträge: 5391
Wohnort: Zwischen Ruhrgebiet, Niederrhein und Münsterland
Die nächsten Tage und Nächte ist wieder mit ordentlich Tropo zu rechnen.
Im Westen und Süden Deutschlands geht schon heute Abend los.

http://tropo.f5len.org/forecasts-for-europe/


Nach oben
 Profil  
Mit Zitat antworten  
 Betreff des Beitrags: Re: Tropo-Logs
BeitragVerfasst: Mo 29. Mär 2021, 06:56 
Offline
Administrator

Registriert: Sa 14. Jul 2012, 10:00
Beiträge: 2636
Wohnort: Esslingen am Neckar
@Nicoco danke für den Hinweis, ich werde auf Empfang bleiben.

Aktuelle Lage = es deutet sich was an.

05B - DAB+ Austria ( 1 / 16) (normal)
05C - DR Deutschland (16 / 16) (normal)
05D - Antenne Deutschland ( 1 / 16) (normal)
07B - hr radio (5 / 16) (normal)
07D - SMC D02 (4 / 16) (normal)
08C - Mittelfranken (3 / 16) (normal)
08D - SWR BW S (16 / 16) (normal)
09B - Antenne Deutschland (16 / 16) (normal)
09C - Augsburg (4 / 16) (normal)
09D - SWR BW N (16 / 16) (normal)
10A - Unterfranken / Oberbayern Schwaben (4 / 16) (normal)
11A - Ingolstadt (2 / 16) (NICHT NORMAL, SONST NICHT DA)
11B - OAS BW (16 / 16) (normal)
11C - Muenchen (1 / 16) (NICHT NORMAL, SONST NICHT DA)
11D - Bayern (4 / 16) (normal)
12C - Hessen Sued (4 / 16) (normal)

_________________
Mobiler Empfänger: Phillips AE5230/12


Nach oben
 Profil  
Mit Zitat antworten  
 Betreff des Beitrags: Re: Tropo-Logs
BeitragVerfasst: Mo 29. Mär 2021, 12:41 
Offline
DAB-Freak

Registriert: Do 5. Nov 2020, 19:30
Beiträge: 10197
Wohnort: Privat
der Norden kriegt mal wieder nichts ab wie immer.
ich brauche bitte endlich mal den 11D Sylt um die techn.Daten zu verifizieren.

kein Tropo = kein Empfang.

_________________
****************************************************************
Standort: Norddeutschland, irgendwo zwischen Ostsee und Elbe / Wendland


Nach oben
 Profil  
Mit Zitat antworten  
 Betreff des Beitrags: Re: Tropo-Logs
BeitragVerfasst: Di 30. Mär 2021, 10:36 
Offline
DAB-Freak

Registriert: Do 5. Nov 2020, 19:30
Beiträge: 10197
Wohnort: Privat
heute früh nur leicht angehoben, nichts besonderes dabei.

_________________
****************************************************************
Standort: Norddeutschland, irgendwo zwischen Ostsee und Elbe / Wendland


Nach oben
 Profil  
Mit Zitat antworten  
 Betreff des Beitrags: Re: Tropo-Logs
BeitragVerfasst: Mi 31. Mär 2021, 09:14 
Offline
DAB-Freak

Registriert: Do 5. Nov 2020, 19:30
Beiträge: 10197
Wohnort: Privat
auch heute wieder leicht angehoben,
gegen 2 Uhr kamen 8A/8B/11A/11C/12C/13B Dänemark
sowie 7A+7C Schweden.

_________________
****************************************************************
Standort: Norddeutschland, irgendwo zwischen Ostsee und Elbe / Wendland


Nach oben
 Profil  
Mit Zitat antworten  
 Betreff des Beitrags: Re: Tropo-Logs
BeitragVerfasst: Mi 31. Mär 2021, 10:26 
Offline
DAB-Freak

Registriert: Di 1. Sep 2015, 17:50
Beiträge: 7588
Es ist immernoch extrem starke Ostseetropo. Alles uebliche aus DK und SE hat hier Vollausschlag und geht auch In Door.


Nach oben
 Profil  
Mit Zitat antworten  
 Betreff des Beitrags: Re: Tropo-Logs
BeitragVerfasst: So 18. Apr 2021, 11:25 
Offline
DAB-Freak

Registriert: Do 5. Nov 2020, 19:30
Beiträge: 10197
Wohnort: Privat
lange kein Hochdruck -Einfluss mehr gehabt.
vor ein paar Tagen kam der Norden sehr stark, ua. die Sender Neumünster , Kiel und Kaltenkirchen sowie Rügen/Garz.

leider wieder kein Sylt dabei.

ich möchte gern mal wieder richtiges Tropo haben.

_________________
****************************************************************
Standort: Norddeutschland, irgendwo zwischen Ostsee und Elbe / Wendland


Nach oben
 Profil  
Mit Zitat antworten  
 Betreff des Beitrags: Re: Tropo-Logs
BeitragVerfasst: Mo 19. Apr 2021, 09:04 
Offline
DAB-Freak

Registriert: Di 1. Sep 2015, 17:50
Beiträge: 7588
Eigentlich war auch die letzten Tage immer mal leichte Tropo, insbesondere ueber die Ostsee. Jetzt im Moment koennte auch bei dir Pasewalk 11D ankommen. Der liegt hier gerade 20dB ueber Normalpegel.


Nach oben
 Profil  
Mit Zitat antworten  
 Betreff des Beitrags: Re: Tropo-Logs
BeitragVerfasst: Mo 19. Apr 2021, 10:45 
Offline
DAB-Freak

Registriert: Do 5. Nov 2020, 19:30
Beiträge: 10197
Wohnort: Privat
die Tropo hier leider nur im VHF-II-Band (u.a. Sassnitz auf 101,4 MHz und Radio ZET auf 105,3 MHz)
aufDAB leider nichts nennenswertes, trotz Nebel.
ich muss weiterhoffen.
Pasewalk hatte erst einmal glaube am 22. Februar oder so. Sylt noch gar nie.

_________________
****************************************************************
Standort: Norddeutschland, irgendwo zwischen Ostsee und Elbe / Wendland


Nach oben
 Profil  
Mit Zitat antworten  
Beiträge der letzten Zeit anzeigen:  Sortiere nach  
Ein neues Thema erstellen Auf das Thema antworten  [ 3811 Beiträge ]  Gehe zu Seite Vorherige  1 ... 161, 162, 163, 164, 165, 166, 167 ... 382  Nächste

Alle Zeiten sind UTC + 1 Stunde [ Sommerzeit ]


Wer ist online?

Mitglieder in diesem Forum: 0 Mitglieder und 1 Gast


Du darfst keine neuen Themen in diesem Forum erstellen.
Du darfst keine Antworten zu Themen in diesem Forum erstellen.
Du darfst deine Beiträge in diesem Forum nicht ändern.
Du darfst deine Beiträge in diesem Forum nicht löschen.
Du darfst keine Dateianhänge in diesem Forum erstellen.

Suche nach:
Gehe zu:  
cron
Impressum

Datenschutz (EUDSGVO)

Powered by phpBB® Forum Software © phpBB Group
Deutsche Übersetzung durch phpBB.de