Digitalradio-in-Deutschland

Dein Board für DAB+ - Das Radio der Zukunft
Startseite D-I-D besuchen
Aktuelle Zeit: Do 7. Mai 2026, 23:17

Alle Zeiten sind UTC + 1 Stunde [ Sommerzeit ]




Ein neues Thema erstellen Auf das Thema antworten  [ 670 Beiträge ]  Gehe zu Seite Vorherige  1 ... 9, 10, 11, 12, 13, 14, 15 ... 67  Nächste
Autor Nachricht
 Betreff des Beitrags: Re: DK: Umstellung auf DAB+
BeitragVerfasst: Do 9. Jan 2020, 11:20 
Offline
DAB-Freak

Registriert: Di 1. Sep 2015, 17:50
Beiträge: 7609
Im Zuge der gestrigen Anpassung der Datenraten hat man bei P6 Beat auch das Soundprocessing abgeschaltet. Hammer geiler Klang, wie hier sonst nur von den Deutschlandradios geboten. *plus1*
Schade das NDR Blue die Dynamik begrenzt, sonst waere der genauso gut.


Nach oben
 Profil  
Mit Zitat antworten  
 Betreff des Beitrags: Re: DK: Umstellung auf DAB+
BeitragVerfasst: Fr 10. Jan 2020, 13:35 
Offline
DAB-Bitkenner

Registriert: So 20. Okt 2013, 10:58
Beiträge: 925
Wohnort: Rostock
0210 Vordingborg
0215 Maribo
0217 Nykøbing Falster

Der Sender 0204 Nakskov dürfte nach meinen Beobachtungen immer noch mit 0,5 KW senden und ist noch nicht auf 10 KW erhöht worden.


Dateianhänge:
11c.jpg
11c.jpg [ 183.58 KiB | 5993-mal betrachtet ]

_________________
QTH: Rostock, Empfänger: Hama DIT2000 an VHF Antenne: K5-12 - 5 Elemente mit TGN-DAB VV, BMW mit DAB+ Werksradio und Außenmagnetantenne mit TGN VV, Pure Evoke 2S, Soundmaster IR 4400, Technisat DigitRadio 400, Noxon DAB Stick, SIRD 14 C2, QTH2: Südbrandenburg
Nach oben
 Profil  
Mit Zitat antworten  
 Betreff des Beitrags: Re: DK: Umstellung auf DAB+
BeitragVerfasst: Fr 10. Jan 2020, 14:14 
Offline
DAB-Freak

Registriert: Di 1. Sep 2015, 17:50
Beiträge: 7609
Heute, ohne jegliche Tropo, bei einem S/N von 21dB in Qirks und 12/16 Balken im Radio, ist hier auch wieder ausschliesslich Vordingborg zu sehen. Alle anderen sind im CIR ca. 20dB schwaecher.


Nach oben
 Profil  
Mit Zitat antworten  
 Betreff des Beitrags: Re: DK: Umstellung auf DAB+
BeitragVerfasst: Di 14. Jan 2020, 10:37 
Offline
DAB-Freak

Registriert: Di 1. Sep 2015, 17:50
Beiträge: 7609
Nakskov und Maribo haben noch keine Leistungserhoehung bekommen. Die letzten Tage Regenwetter, sind sie immer ueber 20dB schwaecher als Vordingborg, bei aehnlicher Entfernung.

Eine Testfahrt zum Darss, ohne Tropo, brachte die Erkenntnis, dass der 11C mit Scheibenantenne erst auf der Halbinsel stoerungsfrei geht. Mit Aussenantenne aber auf der 105 Martensdorf - Loebnitz nur ab und zu Aussetzer und noerdlich Loebnitz dann stoerungsfrei. Die Strecke Barth - Stralsund noerdlich der 105 ist mit Aussenantenne auch komplett stoerungsfrei. Am Strand oder auch in Prerow ist der 11C aus DK jetzt staerker als der 5C.


Dateianhänge:
11CRegen.jpg
11CRegen.jpg [ 210.49 KiB | 5856-mal betrachtet ]
Nach oben
 Profil  
Mit Zitat antworten  
 Betreff des Beitrags: Re: DK: Umstellung auf DAB+
BeitragVerfasst: Di 14. Jan 2020, 11:01 
Offline
DAB-Freak

Registriert: Sa 6. Aug 2016, 16:40
Beiträge: 4417
Was für Antennen setzt ihr zwei ( @ Nordlicht2 und Jug ) für eure Beobachtungen ein? Ich habe nun schon länger den 11C nicht mehr empfangen. Habe allerdings auch keine Lust mit der Magnet Antenne durch die Gegend zu fahren. Auch ist hier der Empfang wenn dieser mal vorhanden ist mir punktuell.


Nach oben
 Profil  
Mit Zitat antworten  
 Betreff des Beitrags: Re: DK: Umstellung auf DAB+
BeitragVerfasst: Di 14. Jan 2020, 11:59 
Offline
DAB-Freak

Registriert: Di 1. Sep 2015, 17:50
Beiträge: 7609
Im Auto entweder den Sangi Pocket an Aux, was vom Empfang einer guten (Werks)Scheibenantenne entspricht oder aber wenn ich schwache Muxe empfangen moechte,eine Fensterklemmantenne und zwar diese hier https://www.amazon.de/TomTrend-DVB-T-Fe ... B001TNUO26
Meine passive Magnetfuss ist noch nen Tick besser.
Am Empfang hat sich seit der Vordingborgumstellung im Dezember nichts mehr geaendert. Bei angehobenen Bedingungen aber geht das S/N leicht runter, weil entfernte Standorte stoeren. Bornholm scheint so synchronisiert zu sein, dass die Signale vom Festland dort zeitrichtig ankommen und nicht stoeren. Bornholm hat massiven Nachlauf. Zumindest sehe ich oft einen Spike 200km spaeter als Vordingborg.


Nach oben
 Profil  
Mit Zitat antworten  
 Betreff des Beitrags: Re: DK: Umstellung auf DAB+
BeitragVerfasst: Di 14. Jan 2020, 21:06 
Offline
DAB-Freak

Registriert: Sa 6. Aug 2016, 16:40
Beiträge: 4417
Nordlicht2 hat geschrieben:
Im Auto entweder den Sangi Pocket an Aux, was vom Empfang einer guten (Werks)Scheibenantenne entspricht oder aber wenn ich schwache Muxe empfangen moechte,eine Fensterklemmantenne und zwar diese hier https://www.amazon.de/TomTrend-DVB-T-Fe ... B001TNUO26
Meine passive Magnetfuss ist noch nen Tick besser.
Am Empfang hat sich seit der Vordingborgumstellung im Dezember nichts mehr geaendert. Bei angehobenen Bedingungen aber geht das S/N leicht runter, weil entfernte Standorte stoeren. Bornholm scheint so synchronisiert zu sein, dass die Signale vom Festland dort zeitrichtig ankommen und nicht stoeren. Bornholm hat massiven Nachlauf. Zumindest sehe ich oft einen Spike 200km spaeter als Vordingborg.

Schade das es diese Klemmantenne nicht mehr gibt dort. Mich wundert das so oder so weshalb die Dänen so gut ankommen. Ich denke in Richtung Greifswald wird der 11C dann schnell stumm.


Nach oben
 Profil  
Mit Zitat antworten  
 Betreff des Beitrags: Re: DK: Umstellung auf DAB+
BeitragVerfasst: Do 16. Jan 2020, 18:27 
Offline
DAB-Freak

Registriert: Di 1. Sep 2015, 17:50
Beiträge: 7609
mix 7 und Vinyl wurden sogar auf die Bornholmer 12A Funzel aufgeschaltet. Immerhin in Roenne zu empfangen.


Dateianhänge:
12ABornholmJan20.jpg
12ABornholmJan20.jpg [ 200.63 KiB | 5791-mal betrachtet ]
Nach oben
 Profil  
Mit Zitat antworten  
 Betreff des Beitrags: Re: DK: Umstellung auf DAB+
BeitragVerfasst: So 15. Mär 2020, 18:33 
Offline
DAB-Freak

Registriert: Di 1. Sep 2015, 17:50
Beiträge: 7609
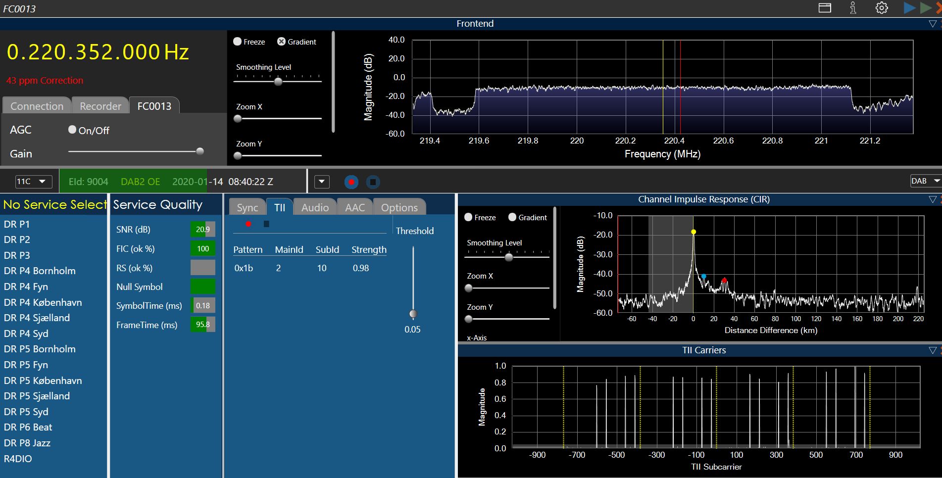
Hier mal die aktuelle Belegung des 12C und 11C aus dem DAB Player:

Ensemble 0x9001, Label: 'DK DAB1', ShortLabel: 'DK DAB1', LTO: +60 min, ECC: 0xE1, NumServices: 10
Audio-Service 0x9091, Label: 'BBC WorldService', ShortLabel: 'BBC WS', PTY: News (dynamic), AnnouncementSupport: No, NumComponents: 1 (Audio: 1, Data: 0)
AudioComponent, SCIdS: 0, Label: '', ShortLabel: '', ASCTy: 0x3F (AAC), SubChId: 1, StartCU: 0, NumCU: 30, ErrorProt: EEP 3-A (FEC: 1/2), Datarate: 40 kbit/s, NumUserApps: 1
User App 1 / 1, Label: '', ShortLabel: '', DSCTy: 0x3C (MOT), X-PAD type: 12, UaType: 0x2 (Slideshow), DataLen: 2 [0C3C]
Audio-Service 0x9094, Label: '_The Voice', ShortLabel: 'TheVoice', PTY: Pop Music (dynamic), AnnouncementSupport: No, NumComponents: 1 (Audio: 1, Data: 0)
AudioComponent, SCIdS: 0, Label: '', ShortLabel: '', ASCTy: 0x3F (AAC), SubChId: 4, StartCU: 30, NumCU: 54, ErrorProt: EEP 3-A (FEC: 1/2), Datarate: 72 kbit/s, NumUserApps: 1
User App 1 / 1, Label: '', ShortLabel: '', DSCTy: 0x3C (MOT), X-PAD type: 12, UaType: 0x2 (Slideshow), DataLen: 2 [0C3C]
Audio-Service 0x9095, Label: '_myROCK', ShortLabel: 'myROCK', PTY: Rock Music (dynamic), AnnouncementSupport: No, NumComponents: 1 (Audio: 1, Data: 0)
AudioComponent, SCIdS: 0, Label: '', ShortLabel: '', ASCTy: 0x3F (AAC), SubChId: 5, StartCU: 84, NumCU: 54, ErrorProt: EEP 3-A (FEC: 1/2), Datarate: 72 kbit/s, NumUserApps: 1
User App 1 / 1, Label: '', ShortLabel: '', DSCTy: 0x3C (MOT), X-PAD type: 12, UaType: 0x2 (Slideshow), DataLen: 2 [0C3C]
Audio-Service 0x9096, Label: '_NOVA', ShortLabel: 'NOVA', PTY: Pop Music (dynamic), AnnouncementSupport: No, NumComponents: 1 (Audio: 1, Data: 0)
AudioComponent, SCIdS: 0, Label: '', ShortLabel: '', ASCTy: 0x3F (AAC), SubChId: 6, StartCU: 138, NumCU: 54, ErrorProt: EEP 3-A (FEC: 1/2), Datarate: 72 kbit/s, NumUserApps: 1
User App 1 / 1, Label: '', ShortLabel: '', DSCTy: 0x3C (MOT), X-PAD type: 12, UaType: 0x2 (Slideshow), DataLen: 2 [0C3C]
Audio-Service 0x9097, Label: '_Pop FM', ShortLabel: 'Pop FM', PTY: Pop Music (dynamic), AnnouncementSupport: No, NumComponents: 1 (Audio: 1, Data: 0)
AudioComponent, SCIdS: 0, Label: '', ShortLabel: '', ASCTy: 0x3F (AAC), SubChId: 7, StartCU: 192, NumCU: 54, ErrorProt: EEP 3-A (FEC: 1/2), Datarate: 72 kbit/s, NumUserApps: 1
User App 1 / 1, Label: '', ShortLabel: '', DSCTy: 0x3C (MOT), X-PAD type: 12, UaType: 0x2 (Slideshow), DataLen: 2 [0C3C]
Audio-Service 0x9098, Label: '_Radio Soft', ShortLabel: 'Soft', PTY: Easy Listening Music (dynamic), AnnouncementSupport: No, NumComponents: 1 (Audio: 1, Data: 0)
AudioComponent, SCIdS: 0, Label: '', ShortLabel: '', ASCTy: 0x3F (AAC), SubChId: 8, StartCU: 246, NumCU: 54, ErrorProt: EEP 3-A (FEC: 1/2), Datarate: 72 kbit/s, NumUserApps: 1
User App 1 / 1, Label: '', ShortLabel: '', DSCTy: 0x3C (MOT), X-PAD type: 12, UaType: 0x2 (Slideshow), DataLen: 2 [0C3C]
Audio-Service 0x9099, Label: '_Radio 100', ShortLabel: 'Radio100', PTY: Pop Music (dynamic), AnnouncementSupport: No, NumComponents: 1 (Audio: 1, Data: 0)
AudioComponent, SCIdS: 0, Label: '', ShortLabel: '', ASCTy: 0x3F (AAC), SubChId: 9, StartCU: 300, NumCU: 54, ErrorProt: EEP 3-A (FEC: 1/2), Datarate: 72 kbit/s, NumUserApps: 1
User App 1 / 1, Label: '', ShortLabel: '', DSCTy: 0x3C (MOT), X-PAD type: 12, UaType: 0x2 (Slideshow), DataLen: 2 [0C3C]
Audio-Service 0x90A2, Label: 'ENERGY (NRJ)', ShortLabel: 'NRJ', PTY: -, AnnouncementSupport: No, NumComponents: 1 (Audio: 1, Data: 0)
AudioComponent, SCIdS: 0, Label: '', ShortLabel: '', ASCTy: 0x3F (AAC), SubChId: 18, StartCU: 354, NumCU: 54, ErrorProt: EEP 3-A (FEC: 1/2), Datarate: 72 kbit/s, NumUserApps: 1
User App 1 / 1, Label: '', ShortLabel: '', DSCTy: 0x3C (MOT), X-PAD type: 12, UaType: 0x2 (Slideshow), DataLen: 2 [0C3C]
Audio-Service 0x90A4, Label: 'MTV Radio', ShortLabel: 'MTV', PTY: -, AnnouncementSupport: No, NumComponents: 1 (Audio: 1, Data: 0)
AudioComponent, SCIdS: 0, Label: '', ShortLabel: '', ASCTy: 0x3F (AAC), SubChId: 20, StartCU: 408, NumCU: 54, ErrorProt: EEP 3-A (FEC: 1/2), Datarate: 72 kbit/s, NumUserApps: 1
User App 1 / 1, Label: '', ShortLabel: '', DSCTy: 0x3C (MOT), X-PAD type: 12, UaType: 0x2 (Slideshow), DataLen: 2 [0C3C]
Audio-Service 0x90A5, Label: 'dk4dab', ShortLabel: 'dk4dab', PTY: -, AnnouncementSupport: No, NumComponents: 1 (Audio: 1, Data: 0)
AudioComponent, SCIdS: 0, Label: '', ShortLabel: '', ASCTy: 0x3F (AAC), SubChId: 21, StartCU: 462, NumCU: 48, ErrorProt: EEP 3-A (FEC: 1/2), Datarate: 64 kbit/s, NumUserApps: 1
User App 1 / 1, Label: '', ShortLabel: '', DSCTy: 0x3C (MOT), X-PAD type: 12, UaType: 0x2 (Slideshow), DataLen: 2 [0C3C]

354CU frei


Ensemble 0x9004, Label: 'DAB2 OE', ShortLabel: 'DAB2 OE', LTO: +60 min, ECC: 0xE1, NumServices: 17
Audio-Service 0x9001, Label: 'DR P1', ShortLabel: 'DR P1', PTY: Varied (dynamic), AnnouncementSupport: No, NumComponents: 1 (Audio: 1, Data: 0)
AudioComponent, SCIdS: 0, Label: '', ShortLabel: '', ASCTy: 0x3F (AAC), SubChId: 4, StartCU: 138, NumCU: 54, ErrorProt: EEP 3-A (FEC: 1/2), Datarate: 72 kbit/s, NumUserApps: 0
Audio-Service 0x9002, Label: 'DR P2', ShortLabel: 'DR P2', PTY: Serious Classical (dynamic), AnnouncementSupport: No, NumComponents: 1 (Audio: 1, Data: 0)
AudioComponent, SCIdS: 0, Label: '', ShortLabel: '', ASCTy: 0x3F (AAC), SubChId: 5, StartCU: 192, NumCU: 96, ErrorProt: EEP 3-A (FEC: 1/2), Datarate: 128 kbit/s, NumUserApps: 0
Audio-Service 0x9003, Label: 'DR P3', ShortLabel: 'DR P3', PTY: Pop Music (dynamic), AnnouncementSupport: No, NumComponents: 1 (Audio: 1, Data: 0)
AudioComponent, SCIdS: 0, Label: '', ShortLabel: '', ASCTy: 0x3F (AAC), SubChId: 3, StartCU: 72, NumCU: 66, ErrorProt: EEP 3-A (FEC: 1/2), Datarate: 88 kbit/s, NumUserApps: 0
Audio-Service 0x9005, Label: 'DR P5 København', ShortLabel: 'DR P5Kbh', PTY: Easy Listening Music (dynamic), AnnouncementSupport: No, NumComponents: 1 (Audio: 1, Data: 0)
AudioComponent, SCIdS: 0, Label: '', ShortLabel: '', ASCTy: 0x3F (AAC), SubChId: 20, StartCU: 702, NumCU: 66, ErrorProt: EEP 3-A (FEC: 1/2), Datarate: 88 kbit/s, NumUserApps: 0
Audio-Service 0x9006, Label: 'DR P6 Beat', ShortLabel: 'DR P6 Be', PTY: Rock Music (dynamic), AnnouncementSupport: No, NumComponents: 1 (Audio: 1, Data: 0)
AudioComponent, SCIdS: 0, Label: '', ShortLabel: '', ASCTy: 0x3F (AAC), SubChId: 6, StartCU: 288, NumCU: 72, ErrorProt: EEP 3-A (FEC: 1/2), Datarate: 96 kbit/s, NumUserApps: 0
Audio-Service 0x9008, Label: 'DR P8 Jazz', ShortLabel: 'DR P8 Ja', PTY: Jazz Music (dynamic), AnnouncementSupport: No, NumComponents: 1 (Audio: 1, Data: 0)
AudioComponent, SCIdS: 0, Label: '', ShortLabel: '', ASCTy: 0x3F (AAC), SubChId: 2, StartCU: 0, NumCU: 72, ErrorProt: EEP 3-A (FEC: 1/2), Datarate: 96 kbit/s, NumUserApps: 0
Audio-Service 0x9204, Label: 'R4DIO', ShortLabel: 'R4DIO', PTY: Current Affairs (dynamic), AnnouncementSupport: No, NumComponents: 1 (Audio: 1, Data: 0)
AudioComponent, SCIdS: 0, Label: '', ShortLabel: '', ASCTy: 0x3F (AAC), SubChId: 24, StartCU: 768, NumCU: 96, ErrorProt: EEP 3-A (FEC: 1/2), Datarate: 128 kbit/s, NumUserApps: 0
Audio-Service 0x9342, Label: 'DR P4 Syd', ShortLabel: 'DR P4Syd', PTY: Varied (dynamic), AnnouncementSupport: No, NumComponents: 1 (Audio: 1, Data: 0)
AudioComponent, SCIdS: 0, Label: '', ShortLabel: '', ASCTy: 0x3F (AAC), SubChId: 9, StartCU: 360, NumCU: 66, ErrorProt: EEP 3-A (FEC: 1/2), Datarate: 88 kbit/s, NumUserApps: 0
Audio-Service 0x9345, Label: 'DR P5 Syd', ShortLabel: 'DR P5Syd', PTY: Easy Listening Music (dynamic), AnnouncementSupport: No, NumComponents: 1 (Audio: 1, Data: 0)
AudioComponent, SCIdS: 0, Label: '', ShortLabel: '', ASCTy: 0x3F (AAC), SubChId: 20, StartCU: 702, NumCU: 66, ErrorProt: EEP 3-A (FEC: 1/2), Datarate: 88 kbit/s, NumUserApps: 0
Audio-Service 0x9362, Label: 'DR P4 Fyn', ShortLabel: 'DR P4Fyn', PTY: Varied (dynamic), AnnouncementSupport: No, NumComponents: 1 (Audio: 1, Data: 0)
AudioComponent, SCIdS: 0, Label: '', ShortLabel: '', ASCTy: 0x3F (AAC), SubChId: 14, StartCU: 438, NumCU: 66, ErrorProt: EEP 3-A (FEC: 1/2), Datarate: 88 kbit/s, NumUserApps: 0
Audio-Service 0x9365, Label: 'DR P5 Fyn', ShortLabel: 'DR P5Fyn', PTY: Easy Listening Music (dynamic), AnnouncementSupport: No, NumComponents: 1 (Audio: 1, Data: 0)
AudioComponent, SCIdS: 0, Label: '', ShortLabel: '', ASCTy: 0x3F (AAC), SubChId: 20, StartCU: 702, NumCU: 66, ErrorProt: EEP 3-A (FEC: 1/2), Datarate: 88 kbit/s, NumUserApps: 0
Audio-Service 0x9372, Label: 'DR P4 Sjælland', ShortLabel: 'DR P4Sjl', PTY: Varied (dynamic), AnnouncementSupport: No, NumComponents: 1 (Audio: 1, Data: 0)
AudioComponent, SCIdS: 0, Label: '', ShortLabel: '', ASCTy: 0x3F (AAC), SubChId: 15, StartCU: 504, NumCU: 66, ErrorProt: EEP 3-A (FEC: 1/2), Datarate: 88 kbit/s, NumUserApps: 0
Audio-Service 0x9375, Label: 'DR P5 Sjælland', ShortLabel: 'DR P5Sjl', PTY: Easy Listening Music (dynamic), AnnouncementSupport: No, NumComponents: 1 (Audio: 1, Data: 0)
AudioComponent, SCIdS: 0, Label: '', ShortLabel: '', ASCTy: 0x3F (AAC), SubChId: 20, StartCU: 702, NumCU: 66, ErrorProt: EEP 3-A (FEC: 1/2), Datarate: 88 kbit/s, NumUserApps: 0
Audio-Service 0x9382, Label: 'DR P4 København', ShortLabel: 'DR P4Kbh', PTY: Varied (dynamic), AnnouncementSupport: No, NumComponents: 1 (Audio: 1, Data: 0)
AudioComponent, SCIdS: 0, Label: '', ShortLabel: '', ASCTy: 0x3F (AAC), SubChId: 16, StartCU: 570, NumCU: 66, ErrorProt: EEP 3-A (FEC: 1/2), Datarate: 88 kbit/s, NumUserApps: 0
Audio-Service 0x9392, Label: 'DR P4 Bornholm', ShortLabel: 'DR P4Bor', PTY: Varied (dynamic), AnnouncementSupport: No, NumComponents: 1 (Audio: 1, Data: 0)
AudioComponent, SCIdS: 0, Label: '', ShortLabel: '', ASCTy: 0x3F (AAC), SubChId: 17, StartCU: 636, NumCU: 66, ErrorProt: EEP 3-A (FEC: 1/2), Datarate: 88 kbit/s, NumUserApps: 0
Audio-Service 0x9395, Label: 'DR P5 Bornholm', ShortLabel: 'DR P5Bor', PTY: Easy Listening Music (dynamic), AnnouncementSupport: No, NumComponents: 1 (Audio: 1, Data: 0)
AudioComponent, SCIdS: 0, Label: '', ShortLabel: '', ASCTy: 0x3F (AAC), SubChId: 20, StartCU: 702, NumCU: 66, ErrorProt: EEP 3-A (FEC: 1/2), Datarate: 88 kbit/s, NumUserApps: 0
Data-Service 0xE1900001, Label: 'DR Logoer', ShortLabel: 'DR Logo', PTY: -, AnnouncementSupport: No, NumComponents: 1 (Audio: 0, Data: 1)
DataComponent (MSC packet data), SCIdS: 0, SCId: 0, Label: '', ShortLabel: '', DSCTy: 0x3C (MOT), SubChId: 10, StartCU: 426, NumCU: 12, ErrorProt: EEP 3-A (FEC: 1/2), Datarate: 16 kbit/s, PacketAddr: 1, NumUserApps: 1
User App 1 / 1, Label: '', ShortLabel: '', UaType: 0x7 (EPG), DataLen: 2 [0102]

0CU frei


Als Slideshow gibt es im 12C Senderlogos, im 11C gar nichts.
Die Regionalversionen bei P4 und P5 sind ausserhalb der Regionalzeiten nur Verweise auf die Kopenhagener Audio Channels.


Nach oben
 Profil  
Mit Zitat antworten  
 Betreff des Beitrags: Re: DK: Umstellung auf DAB+
BeitragVerfasst: Mi 1. Apr 2020, 08:57 
Offline
DAB-Freak

Registriert: Di 1. Sep 2015, 17:50
Beiträge: 7609
Radio Loud ist heute im 12C gestartet.


Dateianhänge:
12CDKLoud.jpg
12CDKLoud.jpg [ 215.4 KiB | 5328-mal betrachtet ]
Nach oben
 Profil  
Mit Zitat antworten  
Beiträge der letzten Zeit anzeigen:  Sortiere nach  
Ein neues Thema erstellen Auf das Thema antworten  [ 670 Beiträge ]  Gehe zu Seite Vorherige  1 ... 9, 10, 11, 12, 13, 14, 15 ... 67  Nächste

Alle Zeiten sind UTC + 1 Stunde [ Sommerzeit ]


Wer ist online?

Mitglieder in diesem Forum: 0 Mitglieder und 3 Gäste


Du darfst keine neuen Themen in diesem Forum erstellen.
Du darfst keine Antworten zu Themen in diesem Forum erstellen.
Du darfst deine Beiträge in diesem Forum nicht ändern.
Du darfst deine Beiträge in diesem Forum nicht löschen.
Du darfst keine Dateianhänge in diesem Forum erstellen.

Suche nach:
Gehe zu:  
Impressum

Datenschutz (EUDSGVO)

Powered by phpBB® Forum Software © phpBB Group
Deutsche Übersetzung durch phpBB.de